analoge Einbaumessschraube 0-25mm mit Ratsche
Die analoge Einbaumessschraube oder auch Anbaumessschraube und Einbaumikrometer genannt, wird vorwiegend als Einstell-und Kontrollelement an Werkzeugmaschinen angebracht, beispielsweise auf Kreuztischen (x-y-z Achse) von Laserinstrumenten, auf Vorschubmaschinen oder auch für die Vermessung von Lehren. Ebenso finden Einbaumessschrauben ihren Einsatz zum Einbau in Messvorrichtungen zur präzisen Einstellung von Abständen und bei der Positionierung von Werkstücken.
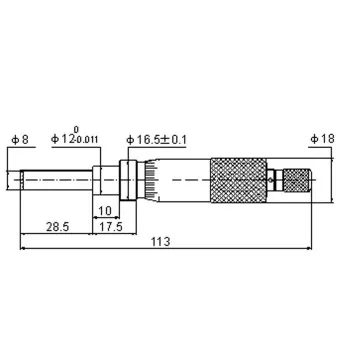
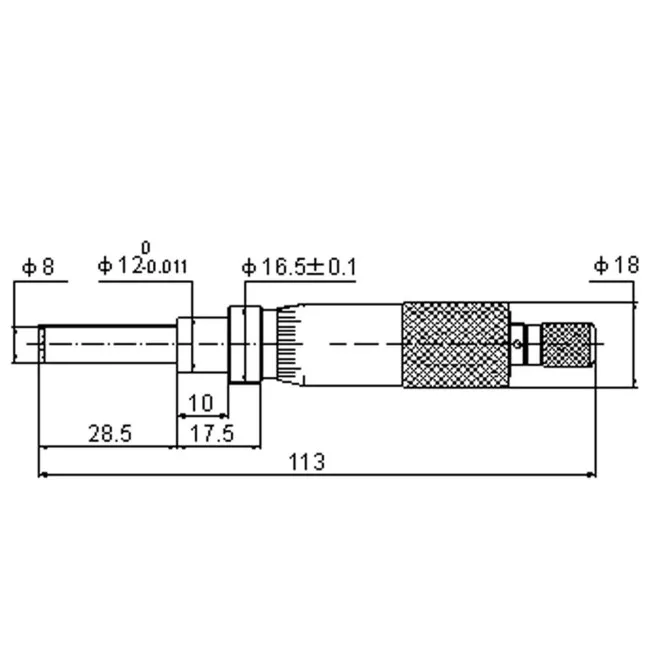
Die analoge Einbaumessschraube die Ihnen Messmittelonline anbietet ist mit einer nichtdrehenden Spindel und einer Ratsche ausgestattet. Das Einbaumikrometer hat einen Messbereich von 0-25mm mit einer 0,01mm Ablesung. Die Spindelsteigung der Einbaumessschraube beträgt 0,5mm. Ausgestattet ist das analoge Einbaumikrometer mit einer Hartmetall Spindel mit einem Durchmesser von 8mm. Die Skalentrommel der Messschraube ist mattverchromt. Die analoge Einbaumessschraube, entspricht der DIN 863, hat eine Gesamtlänge von 113mm. Weitere Maße entnehmen Sie bitte der Detailzeichnung.
Bestellen Sie jetzt einfach und bequem von zu Hause das Einbaumikrometer analog 0-25mm mit planparallelen Messflächen bei Messmittelonline. Die Lieferung erfolgt im Behältnis/Kasten, sicherer und schneller Versand inklusive.
Leider sind noch keine Bewertungen vorhanden. Seien Sie der Erste, der den Messschieber oder das Messwerkzeug bewertet.
Hersteller Informationen
.Informationen zur Produktsicherheit / Sicherheitshinweise:
- Nur für technisch versierte und mit dem Produkt vertraute Anwender sowie Handwerker geeignet.
- Nur für den vorhergesehenen Verwendungszweck geeignet.
- Unsachgemäße Verwendung kann zu Schäden und Verletzungen führen.
- Verpackung Kinder unzugänglich entsorgen
- bei Plastiktüten besteht Erstickungsgefahr
- Bei Kartonagen besteht Gefahr von Schnittverletzung
Marke: MMO Messmittelonline
Importeur/Hersteller:
MMO Christian Schulz
verantwortliche Person: Christian Schulz
Alte Michelsdorfer Str.10
14797 Kloster Lehnin
Tel:00493382707470
Email: webmaster@messmittelonline.de
https://www.messmittelonline.de/