analoge Bügelmessschraube mit großem Amboss und Ratsche, Genauigkeit 0,005mm
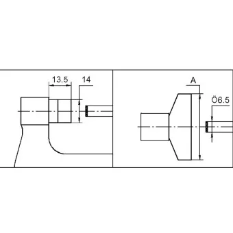
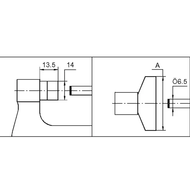
Diese analoge Bügelmessschraube mit 0,01mm Ablesung können Sie in 2 Größen bestellen. Die Messschraube verfügt über einen großen Amboss der sich zur Dickenmessung eignet, zum Beispiel zum Messen von Scheibenfräsern. Die Bügelmessschraube besitzt eine Ratsche und hat eine Genauigkeit von 0,005mm. Die Messtrommel ist mattverchromt und der Bügel ist lackiert.
Die beiden anschließend aufgeführten Größen der Messschraube können Sie rechts oben auswählen.
- analoges Mikrometer mit 0-25mm Messbereich, Amboss 50x14mm
- analoges Mikrometer mit 25-50mm Messbereich, Amboss 60x14mm
Leider sind noch keine Bewertungen vorhanden. Seien Sie der Erste, der den Messschieber oder das Messwerkzeug bewertet.
Hersteller Informationen
.Informationen zur Produktsicherheit / Sicherheitshinweise:
- Nur für technisch versierte und mit dem Produkt vertraute Anwender sowie Handwerker geeignet.
- Nur für den vorhergesehenen Verwendungszweck geeignet.
- Unsachgemäße Verwendung kann zu Schäden und Verletzungen führen.
- Verpackung Kinder unzugänglich entsorgen
- bei Plastiktüten besteht Erstickungsgefahr
- Bei Kartonagen besteht Gefahr von Schnittverletzung
Marke: MMO Messmittelonline
Importeur/Hersteller:
MMO Christian Schulz
verantwortliche Person: Christian Schulz
Alte Michelsdorfer Str.10
14797 Kloster Lehnin
Tel:00493382707470
Email: webmaster@messmittelonline.de
https://www.messmittelonline.de/