digitale Messschraube zur Messung von Rohrwanddicken
Sie suchen zur Messung von Rohrwanddicken eine digitale Messschraube? Hier erhalten Sie eine digitale Bügelmessschraube in 2 verschiedenen Ausführung mit einem Messbereich von 0-25mm. Wählbar mit Messflächen ballig + flach oder ballig - ballig. Die Messspindel der Bügelmessschraube ist 6,5mm und hat eine Steigung von 0,5mm. Ausgestattet ist die Mikrometerschraube mit Ratsche, lackiertem Bügel und mattverchromter Messtrommel. Der lackierte Bügel ist mit einer Handwärmeisolierung (Plastikschalen beidseitig) ausgestattet um so den Einfluss von Wärme auf das Messergebnis zu verhindern.
Die digitale Anzeige mit 0,001mm / 0,00005" Ablesung hat 2 doppelt belegte Funktionstasten (ON/OFF-, ABS/INC-, UNIT-und SET-Taste) und einen Datenausgang. Geliefert wird das Mikrometer im Behältnis/Kasten. Folgende beiden Ausführungen stehen Ihnen zur Verfügung:
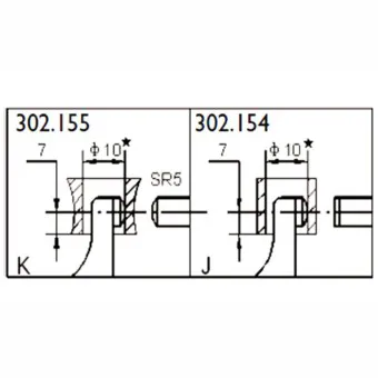
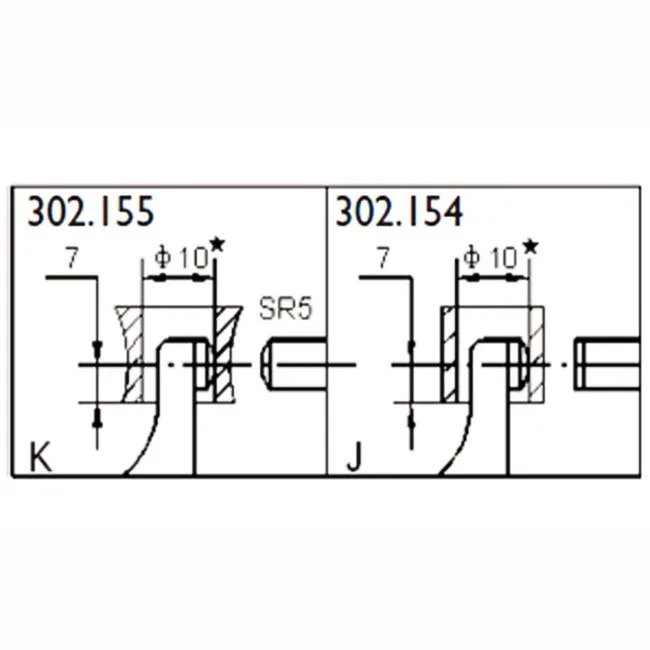
- Messbereich 0-25mm, Genauigkeit 0,004mm, Messflächen ballig + flach
- Messbereich 0-25mm, Genauigkeit 0,004mm, Messflächen ballig + ballig
Leider sind noch keine Bewertungen vorhanden. Seien Sie der Erste, der den Messschieber oder das Messwerkzeug bewertet.
Hersteller Informationen
.Informationen zur Produktsicherheit / Sicherheitshinweise:
- Nur für technisch versierte und mit dem Produkt vertraute Anwender sowie Handwerker geeignet.
- Nur für den vorhergesehenen Verwendungszweck geeignet.
- Unsachgemäße Verwendung kann zu Schäden und Verletzungen führen.
- Verpackung Kinder unzugänglich entsorgen
- bei Plastiktüten besteht Erstickungsgefahr
- Bei Kartonagen besteht Gefahr von Schnittverletzung
Marke: MMO Messmittelonline
Importeur/Hersteller:
MMO Christian Schulz
verantwortliche Person: Christian Schulz
Alte Michelsdorfer Str.10
14797 Kloster Lehnin
Tel:00493382707470
Email: webmaster@messmittelonline.de
https://www.messmittelonline.de/