Messuhr-Anschlag rund
Messuhr-Anschlag mit runder Anschlagfläche wählbar im Durchmesser von 16-40mm
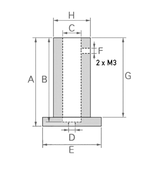
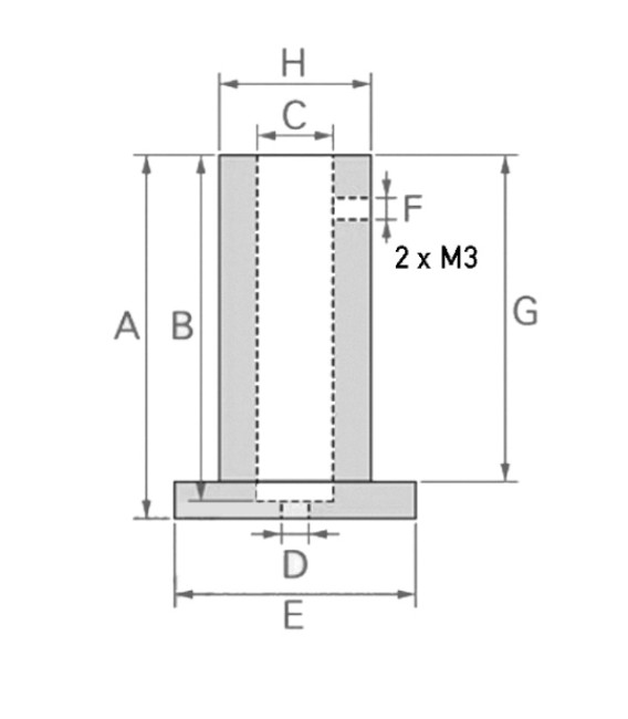
Der Messuhr Anschlag mit runder Anschlagfläche zählt zu dem wichtigen Messuhr-Zubehör das Sie haben sollten. Der Anschlag eignet sich für alle digitalen und analogen Messuhren mit einer 8mm Aufnahme. Den passenden Anschlag können Sie von den folgenden 3 Durchmessern auswählen.
- Anschlag- Ø 16mm, Aufnahme-Ø 8mm, 3mm Durchlassbohrung Maß A38mm B36mm C8mm D3mm E16mm
- Anschlag- Ø 25mm, Aufnahme-Ø 8mm, 3mm Durchlassbohrung Maß A38mm B36mm C8mm D3mm E25mm G34mm H15,8mm
- Anschlag- Ø 40mm, Aufnahme-Ø 8mm, 3mm Durchlassbohrung Maß A45mm D3mm E45mm
Den Anschlag rund für Messuhren mit 8mm Aufnahme, jetzt online kaufen bei Messmittelonline.
Leider sind noch keine Bewertungen vorhanden. Seien Sie der Erste, der den Messschieber oder das Messwerkzeug bewertet.
Hersteller Informationen
.Informationen zur Produktsicherheit / Sicherheitshinweise:
- Nur für technisch versierte und mit dem Produkt vertraute Anwender sowie Handwerker geeignet.
- Nur für den vorhergesehenen Verwendungszweck geeignet.
- Unsachgemäße Verwendung kann zu Schäden und Verletzungen führen.
- Verpackung Kinder unzugänglich entsorgen
- bei Plastiktüten besteht Erstickungsgefahr
- Bei Kartonagen besteht Gefahr von Schnittverletzung
Marke: MMO Messmittelonline
Importeur/Hersteller:
MMO Christian Schulz
verantwortliche Person: Christian Schulz
Alte Michelsdorfer Str.10
14797 Kloster Lehnin
Tel:00493382707470
Email: webmaster@messmittelonline.de
https://www.messmittelonline.de/